High Speed Feeder (Gear Change Type)
GF-120/300/400/600
Standard Equipments:
1. Material lubrication device (With flow regulator).
2. Gear 4 pcs (Teeth numbers as specified).
3. Extended material support.
4. Material end sensor (DC24V NPN).
5. Pneumatic material clamping device.
Product
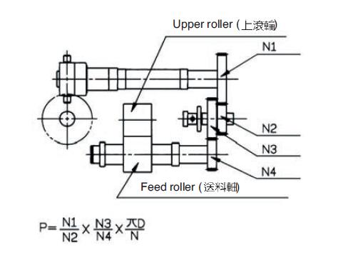
P=Feed pitch (mm)
N=Index numbers
N1=1st gear teeth number
N2=2nd gear teeth number
N3=3rd gear teeth number
N4=4th gear teeth number
D=Feed roller diameter(mm)
GF-120/300/400/600
High Speed Feeder (Gear Change Type)
|
Model |
GL-120 |
GL-300 |
GL-400 |
GL-600 |
|
Thickness of material (mm) |
0.2~1.0 |
0.2~1.0 |
0.2~1.0 |
0.2~1.0 |
|
Width of materia (mm) |
30~120 |
50~300 |
50~400 |
78~600 |
|
Feed roller dia (mm) |
Ø70 |
Ø70 |
Ø100 |
Ø120 |
|
Feed length (mm) |
15~250/4~90 |
15~300 |
10~350 |
10~578 |
|
Index numbers |
4/12 |
4 |
4 |
3 |
|
Feed angle |
180° |
180° |
150° |
180° |
|
Release angle |
135°~195° |
135°~195° |
110°~220° |
110°~220° |
|
Feed direction |
Left→Right |
|||
